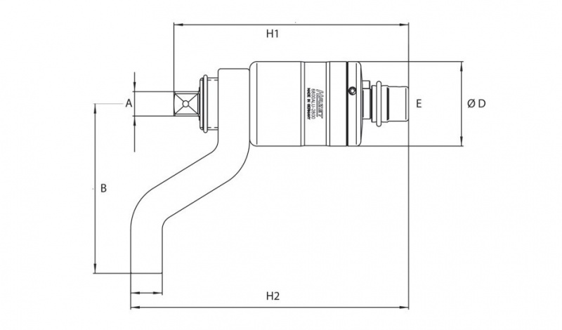
| Model |
Birim
|
6800ALU-700
|
6800ALU-1400
|
6800ALU-Lg 1400
|
6800ALU-2800
|
| Tork Gücü |
Nm
|
700
|
1400
|
1400
|
2800
|
| Aktarım Oranı |
**
|
3,5
|
3,5
|
3,5
|
11
|
| Torkmetre Girişi (E) |
inc
|
½"
|
3/4"
|
3/4"
|
3/4"
|
| Lokma Girişi (A) |
inc
|
3/4"
|
1"
|
1"
|
1"
|
| Şanzıman Çapı (D) |
mm
|
67
|
88
|
88
|
88
|
| Cihaz Boyu (H1) |
mm
|
125
|
172,5
|
252,5
|
260,5
|
| Ayaklı Boy (H2) (min) |
mm
|
150
|
190
|
216
|
308
|
| Ayaklı Boy (H2) (max) |
mm
|
161
|
212
|
292
|
321
|
| Ayak Mesafesi (B) |
mm
|
101
|
135
|
135
|
176,5
|
| Ağırlık |
kg
|
1,6
|
3,5
|
4,4
|
6,4
|
Aluminyum Mekanik Tork Artırıcılar
Hazet’in üretmiş olduğu mekanik tork artırıcıların gövdesi aluminyum malzemeden imal edilmiştir. Özellikle otomobil sektöründe tamir bakım işlerinde hizmet veren teknisyenler için tasarlanmış olan Hazet tork artırıcıları yüksek tork kapasitelerine rağmen küçük hacimlidirler. Hazet aluminyum mekanik artırıcılarının torklama hassasiyet ±%5 dir.
Hazet Bijon Sökme –Takma Tork Artırıcı
Hazet’in 6800ALU-Lg1400 modeli ağır vasıta kamyon ve tobüslerinin bijonlarının öngörülen değerlerdetorklanması için tasarlanmıştır. Aktarım oranı 3,5 kat olan LG1400 1400 Nm somun sıkma kapasitesine sahiptir. Ancak genel olarak ağır vasıtaların bijonlarının sıkılması için maksimum 800 - 1000 Nm yeterlidir. Aynı bijonların sökülmesi için daha yüksek bir tork değerine gereksinim duyulur. LG1400 bijon sökme tork artırıcısının kapasitesi bu işlem için yeterlidir. Hazet tork artırıcılar ağır vasıta bijonlarının hem sıkılması hem de sökülmesi için tasarlanmış üst sınıf mekanik tork artırıcılardır.
 |
 |
 |
 |
| 6800ALU-700 |
6800ALU-1400 |
6800ALU-Lg 1400 |
6800ALU-2800 |
Hazet Tork Artırıcı Ölçülendirilmiş Çizim
